单击打开
高功率光纤隔离器
产品特点
低插损
高回损
高隔离度
高稳定性&可靠性
高消光比
应用范围
保偏光纤放大器
测试仪器
MOPA光纤激光器
光纤激光器
产品研发
光纤传感
通信系统
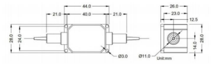
封装尺寸(单位:mm)
尺寸A:φ5.5x35

尺寸B:33x17x11.5

尺寸C:44x28x26

尺寸D:64x28 x26

尺寸E:60x17x11.5

尺寸F:75x17 x16

尺寸G:82x28x26

尺寸H:82 x38 x35

尺寸I:90x28x26

尺寸J:150x28x26

订购信息 HC-HPISO-A-B-C-D-E-F-G-H-I-J-K-L-M-N
|
A |
波长 |
532:532nm,633:633nm,780:780nm,980:980nm,1550:1550nm,1480:1480nm,1310:1310nm,1030:1030nm,1040:1040nm,1064:1064nm,2000:2000nm,X:Other |
|
B |
Core类型 |
S: Single- core,D: Dual- core |
|
C |
类型 |
PS:极化敏感(适用100-TGG型自由空间隔离器) |
|
D |
工作轴向 |
F:快轴截止,B:双轴工作,N:Non- PM |
|
E |
孔径 |
1.5:1.5,2:2.0,5:5.0,X:Other |
|
F |
光纤类型 |
10/125:PLMA-GDF-10/125-M,P20/130:PLMA-GDF-20/130,20/130M:LMA-GDF-20/130-M,SMF28E:SMF-28E,105/125:MM-S105/125-22A,50/125:MM-50/125,62.5/125:MM-62.5/125,PM460:PM460-HP,460:460-HP,PM630:PM630-HP,630:630-HP,PM780=PM780-HP,PM980:PM980,Hi1060:Hi1060,PM15:PM1550,PM19:PM1950,X: Other |
|
G |
封装尺寸 |
A:φ5.5x35mm,B:33x17x11.5mm,C:44 x28x26mm,D:64x28 x26 mm,E:60x17x11.5mm,F:75x17 x16 mm,G:82 x28 x26mm,H:82 x38 x35mm,I:90x28x26mm,J:150x28x26mm,K:70x12x8mm,X: Other |
|
H |
尾纤类型 |
25:250μm 裸光纤,90:900μm 松套管,X: Other |
|
I |
光纤长度 |
05:0.5m,08:0.8m,1:1m,X: Other |
|
J |
输入连接头 |
00:None,FP: FC/PC,FA: FC/APC,SP: SC/PC,SA: SC/APC,LP: LC/PC,LA: LC/APC,MP: MPO,X: Other |
|
K |
输出连接头 |
00:None,FP: FC/PC,FA: FC/APC,SP: SC/PC,SA: SC/APC,LP: LC/PC,LA: LC/APC,MP: MPO,X: Other |
|
L |
平均功率 |
01:1W,02:2W,05:5W,10:10W,20:20W,50:50W,100:100W,X: Other |
|
M |
峰值功率 |
0 0:Continuous Wave,01:1 kW,02 : 2 kW,10:10kW, 20:20 kW,X: Other |
|
N |
额定功率 |
01:1 W,02:2 W,05:5W,10:10W,20:20 W,100:100W,X: Other |
532nm/633nm在线隔离器、 1030nm 在线隔离器(50mW)、1310-1550nm 高功率隔离器(20W)、1310-2050nm 保偏隔离器(500mW)
|
参数 |
单位 |
数值 |
||||||||
|
中心波分 |
nm |
532,633 |
1030 |
1550,1480,1310 |
2050,2000, 1950 |
1550,1480,1310 |
||||
|
级别 |
|
/ |
Single |
Dual |
Single |
Dual |
Single |
Dual |
Single |
Dual |
|
工作波长范围 |
nm |
±10 |
±5 |
±20 |
±20 |
|||||
|
典型峰值隔离度 |
dB |
/ |
23 |
38 |
42 |
58 |
20 |
30 |
42 |
58 |
|
最小隔离度@23℃ |
dB |
23 |
20 |
35 |
28 |
45 |
18 |
28 |
28 |
45 |
|
典型插损@23 ℃ |
dB |
1.5 |
3.0 |
6.0 |
0.4 |
0.5 |
0.8 |
1.0 |
0.4 |
0.5 |
|
最大插损@23℃ |
dB |
1.8 |
3.2 |
6.5 |
0.55 |
0.65 |
1.2 |
1.3 |
0.55 |
0.65 |
|
最小消光比@23°℃(保偏光纤类型) |
dB |
18 |
双轴工作:20 快轴截止:22 |
双轴工作:20 快轴截止:25 |
双轴工作:18 快轴截止:20 |
双轴工作:20 快轴截止:25 |
||||
|
最大偏振相关损耗@23℃ (单模光纤类型) |
dB |
0.2 |
0.15 |
0.15 |
/ |
|||||
|
最小回波损耗(输入 /输出) |
dB |
45 |
/ |
50/50 |
50/50 |
|||||
|
最大平均功率 |
W |
0.5,1,2 |
/ |
/ |
/ |
|||||
|
最大ns脉冲的峰值功率 |
kW |
5/指定 |
/ |
10 or Specified |
/ |
|||||
|
最大光功率(CW) |
/ |
/ |
50mW |
1,2,5....20W |
500mW |
|||||
|
最大拉伸载荷 |
N |
5 |
5 |
5 |
5 |
|||||
|
光纤类型 |
|
/ |
PM Panda fiber or Single- mode fiber |
|
PM Panda Fiber |
|||||
|
工作温度 |
℃ |
+10~+50 |
-5~+50 |
0~+70 |
0~+70 |
|||||
|
储存温度 |
℃ |
0~+60 |
-40~+85 |
-40~+85 |
-40~+85 |
|||||
|
封装尺寸 |
mm |
C:44×28×26 |
A:φ5.5x35 |
A:φ5.5x35mm K:70x12x8mm B:33x17x11.5mm E:60x17x11.5mm X: Other |
A:5.5x35mm X: Other |
|||||
注:使用连接器时,处理功率仅为1W,插损大0.3dB,回损低5dB, 消光比小2dB,连接器与慢轴对齐。
1064nm在线隔离器(300mW、2W)、TGG型,功率10W、TGG型,功率20W
|
参数 |
单位 |
数值 |
||||
|
中心波分 |
nm |
1064 |
1064,1030 |
|||
|
最大光功率(CW) |
/ |
300mW |
2W |
10W |
||
|
最大平均功率 |
W |
/ |
0.5,1,2 |
1 , 2, 5, 10 or Specified |
||
|
级别 |
|
Single |
Dual |
Single |
Dual |
/ |
|
工作波长范围 |
nm |
±5 |
±5 |
±5 |
||
|
典型峰值隔离度 |
dB |
35 |
52 |
35 |
50 |
30 |
|
最小隔离度@23℃ |
dB |
30 |
45 |
27 |
45 |
26 |
|
典型插损@23 ℃ |
dB |
1.5 |
2.4 |
/ |
0.8 |
|
|
最大插损@23℃ |
dB |
1.8 |
3.2 |
1.7 |
3.8 |
1.0 |
|
最大插损@23℃&输入端功率300 mW |
B |
/ |
2.0 |
4.0 |
/ |
|
|
最大插损@23℃&输入端功率1 W |
B |
/ |
2.5 |
4.5 |
/ |
|
|
最大插损@23°℃&输入端功率 2 W |
B |
/ |
3.0 |
5.5 |
/ |
|
|
最小回波损耗(输入/输出) |
dB |
50/50 |
45 |
45 |
||
|
最大ns脉冲的峰值功率 |
kW |
/ |
10 |
10 or Specified |
||
|
最小消光比@23°℃(保偏光纤类型) |
dB |
双轴工作:20,快轴截止:22 |
20 |
20 |
||
|
最大偏振相关损耗@23℃ (单模光纤类型) |
dB |
0.15 |
0.15 |
0.15 |
||
|
最大拉伸载荷 |
N |
5 |
5 |
5 |
||
|
光纤类型 |
|
PM Panda fiber or Single- mode fiber |
|
|
||
|
工作温度 |
℃ |
-5~+50 |
+10 to+50 |
+10~+50 |
||
|
储存温度 |
℃ |
-40~+85 |
0 to +60 |
0~+60 |
||
|
封装尺寸 |
mm |
A:φ5.5x35 |
B:33x17x11.5 |
E:60x17x11.5 |
F:75x17x16 |
|
注:使用连接器时,处理功率仅为1W,插损高0.3dB, 回损低5dB, 消光比低2dB. 连接器键与慢轴对齐。
780-1080nm(在线隔离器TGG型,20W、自由空间隔离器TGG型,100W),980-1080nm(双级在线隔离器功率TGG型,10W、多模隔离器TGG型,20W、高功率隔离器功率TGG型,50W/100W)
|
参数 |
单位 |
数值 |
|||||
|
最大功率 |
W |
10-TGG型(双级) |
20-TGG型 |
20-TGG型(多模) |
50/100-TGG型(高功率) |
100-TGG型(自由空间隔离器) |
|
|
最大平均功率 |
W |
0.5,1,5, 10,20 or Specified |
0.3, 1,5, 10 or Specified |
0.5, 1, 5, 10 or Specified |
50 , 100 |
5, 10, 20 or Specified |
|
|
中心波长 |
nm |
1064, 1030,980 or Specified |
1064,1030, 980, 780 or Specified |
1064,1030, 980 |
1064,1030,980 or Specified |
1064, 1030, 980,780 or Specified |
|
|
工作波长范围 |
nm |
±5 |
|||||
|
典型峰值隔离度@23℃ |
dB |
65 |
30 |
20 |
30 |
30 |
|
|
峰值透过率@2 3 ℃ |
% |
/ |
/ |
/ |
/ |
95 |
|
|
最小隔离度@23℃ |
dB |
500 |
26 |
18 |
26 |
26 |
|
|
典型插损@23℃ |
dB |
0.8 |
0.8 |
1.3 |
0.8 |
0.15 |
|
|
最大插损@23℃ |
dB |
1.2 |
1.0 |
1.5 |
1.0 |
0.3 |
|
|
最小消光比@23℃(保偏光纤类型) |
dB |
20 |
20 |
/ |
20 |
/ |
|
|
最大偏振相关损耗@23°℃(单模光纤类型) |
dB |
0.15 |
0.15 |
/ |
0.15 |
/ |
|
|
最小回波损耗(输入端/输出端) |
dB |
45 |
45 |
30 |
45 |
50 |
|
|
最大ns脉冲的峰值功率 |
kW |
10 or Specified |
10 or Specified |
10 or Specified |
10 or Specified |
/ |
|
|
最大拉伸载荷 |
N |
5 |
5 |
5 |
5 |
/ |
|
|
工作温度 |
℃ |
+10~+50 |
+10~+50 |
+ 10 ~+ 5 0 |
+10~+50 |
+10~+50 |
|
|
储存温度 |
℃ |
0~+60 |
0~+60 |
0~+60 |
0~+60 |
0~+60 |
|
|
通光孔径 |
mm |
/ |
/ |
/ |
/ |
≤2.0 |
≤5.0 |
|
封装尺寸 |
mm |
J:150x28x26 |
D:64x28x26 |
MM-50/125, MM-62.5/125:D:64x28x26;MM-S105-125-22A:G:82x28 x26 |
H:82x38x35 |
D:64x28x26 |
I:90x28x26 |
注:使用连接器时,处理功率仅为1 W,插损高0.3dB, 回损低5dB, 消光比低2dB. 连接器键与慢轴对齐。
