单击打开
薄膜铌酸锂相干调制器
产品特点
带宽高至 20 GHz //40 GHz
半波电压低于 3.5 V
低光插损 ≤ 7 dB
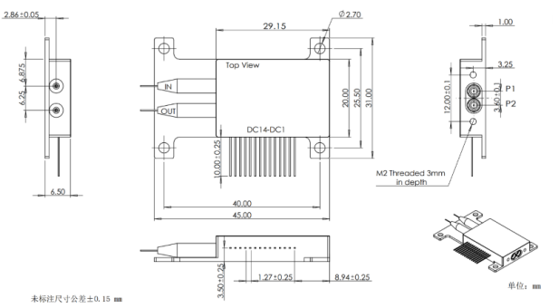
机械尺寸(单位:mm)

S21 测试图 (20GHz 参考图)

S21 测试图 (40GHz 参考图)

订购信息:LB-X1C7PPBC6L
|
可选项 |
描述 |
可选编号 |
|
X1 |
RF 3dB 宽带 |
2 或 4 |
|
栏目 |
参数 |
符号 |
单位 |
性能 |
|
|
光学参数 |
工作波长 |
λ |
nm |
~1550 |
|
|
光学消光比 (@ DC) |
ER |
dB |
≥ 20 |
||
|
光学回损 |
ORL |
dB |
≤ -27 |
||
|
光插损 (*) |
IL |
dB |
Max: 7 Min: 6 |
||
|
电学参数 |
3 dB 带宽(from 2 GHz) |
S21 |
GHz |
X1: 2 |
X1: 4 |
|
Min: 18 Typ: 20 |
Min: 36 Typ: 40 |
||||
|
子路 RF Vπ(@ 50 kHz) |
Vπ-C |
V |
Max: 3.0 Min: 2.5 |
||
|
热调偏置电压范围 |
Vh |
V |
0~4 |
||
|
热调 Pπ (@ DC) |
Pπ |
mw |
≤ 40 |
||
|
RF 回损(10 MHz to 40 GHz) |
S11 |
dB |
≤ -10 |
||
|
工作条件 |
工作温度 |
TO |
°C |
-10~60 |
|
|
全温插损差异 |
TDL |
dB |
≤ 1 |
||
管脚定义
|
符号 |
描述 |
引脚 |
符号 |
描述 |
|
|
RF1 |
P1 |
射频 “I” |
7 |
DC7 |
P路偏置 |
|
RF2 |
P2 |
射频 “Q” |
8 |
DC8 |
无 |
|
1 |
DC1 |
无 |
9 |
DC9 |
P路 MPD 阳极 |
|
2 |
DC2 |
I路偏置 |
10 |
DC10 |
P 路 MPD 阴极 |
|
3 |
DC3 |
I路偏置 |
11 |
DC11 |
Q 路 MPD 阳极 |
|
4 |
DC4 |
Q路偏置 |
12 |
DC12 |
Q路 MPD 阴极 |
|
5 |
DC5 |
Q路偏置 |
13 |
DC13 |
I 路 MPD 阳极 |
|
6 |
DC6 |
P路偏置 |
14 |
DC14 |
I 路 MPD 阴极 |
其他:
1、输出输入均为 PM 光纤, FC/APC 连接头。
2、射频接口为 SSMP-公 (又称SMPM/GPPO)。
最大工作范围
若器件工作超过最大损伤阈值将对器件造成不可逆损伤,此类器件损伤不在维保服务范围。
|
参数 |
符号 |
最小 |
最大 |
单位 |
|
射频输入功率 |
Sin |
- |
19 |
dBm |
|
射频输入摆幅 |
Vpp |
- |
5.6 |
V |
|
射频输入均方根电压 |
Vrms |
- |
2 |
V |
|
热调偏置电阻电压 |
Vh-max |
- |
5 |
V |
|
存储温度 |
Ts |
-40 |
85 |
℃ |
|
相对湿度(无凝露) |
RH |
5 |
90 |
% |
