单击打开
多模环形器
产品特点
低 插 损
高 回 损
高隔离度
高稳定性&可靠性
应用范围
光纤放大器
测试仪器
光纤传感
医疗设备
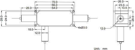
封装尺寸(单位:mm)

订购信息:HC-CIR-MM-A-B-C-D-E-F-G-H
|
A |
B |
C |
D |
E |
F |
G |
H |
|
波长 |
平均功率 |
峰值功率 |
封装尺寸 |
光纤类型 |
尾纤类型 |
光纤长度 |
连接头类型 |
|
980=980nm 1030=1030nm 1064=1064nm X=其他 |
01=1W 05=5W 10=10W 20=20W X=其他
|
00=Continuous Wave 01=1kW 02=2kW 10=10kW X=其他 |
1=70x28x26mm X=其他 |
MM105=MM-S105/125-22A MM50=MM50/125 MM62=MM-62.5/125 X=其他 |
0=250um bare fiber 1=900um loose tube
|
08=0.8m 10=1.0m X=其他 |
FP=FC/UPC FA=FC/APC SP=SC/UPC SA=SC/APC 00=None X=其他 |
|
参数 |
单位 |
数值 |
|
中心波长 |
nm |
1064,1030,980 |
|
工作波长范围 |
nm |
±10 |
|
典型峰值隔离度 |
dB |
23 |
|
最小隔离度@23℃ |
dB |
20 |
|
典型插损@23℃ |
dB |
1.3 |
|
最大插损@23 ℃ |
dB |
1.5 |
|
最大偏振相关损耗@23℃ |
dB |
0.15 |
|
最小回波损耗(输入/输出) |
dB |
30 |
|
最小串扰 |
dB |
35 |
|
最大平均功率(包括端口A和B) |
W |
1,2,5,10 or Specified |
|
最大ns脉冲的峰值功率 |
kW |
10 |
|
最大拉伸载荷 |
N |
5 |
|
封装尺寸 |
mm |
70x28x26 |
|
工作温度 |
℃ |
+10~+50 |
|
储存温度 |
℃ |
0~+60 |
注:使用连接器时,处理功率仅为1W,插损高0.3dB, 回损低5dB。
