单击打开
光纤可调滤波器
高效低损耗设计,高分辨率,优异的热稳定性,基于光纤法布里-珀罗干涉仪技术。
产品特点
高效低损耗设计
高分辨率
优异的热稳定性
基于光纤法布里-珀罗干涉仪技术
应用范围
光通道监测与选择
FBG传感器解调
光谱分析
光谱曲线

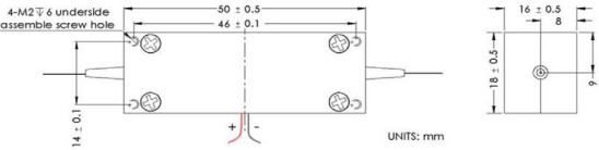
机械式尺寸图

订购信息:HC-FOTF-A-B-C-D-E-F
|
A |
B |
C |
D |
E |
F |
|
工作波长 |
精细度 |
自由光谱范围 |
光纤套管 |
光纤长度 |
转接头类型 |
|
15=1525~1565 nm 15/16=1565-1615 nm C/L=C & L 波段 X= 其他 |
400=400 1000=1000 X= 其他 |
40=40±20nm 50=50±20nm 100=100±20nm 120=120±20nm 160=160±20nm X= 其他 |
25=250μm fiber 90=900μm fiber X= 其他 |
05=0.5 +/- 0.1 m 10=1.0 +/- 0.1 m X= 其他 |
00=No Connector FP=FC/UPC FA=FC/APC SP= SC/UPC SA=SC/APC LP= LC/PC MP=MU/PC X= 其他 |
性能参数
|
项目 |
单位 |
参数 |
备注 |
|
波长范围 |
nm |
C+L |
其他波段可选 |
|
精细度 |
NA |
400,1000 or others |
|
|
自由光谱范围 |
nm |
40,50,100, 120, 160 or others |
|
|
峰值插入损耗(最大值) |
dB |
3 |
|
|
最大偏振相关损耗(在峰值透射波长处) |
dB |
0.3 |
|
|
最大调谐频率 |
kHz |
1 |
|
|
3dB 带宽 |
GHZ |
20-100 |
|
|
精细调谐步长 |
GHZ |
Typ.< 0.5 Max<1 |
|
|
电压调谐系数 |
V |
/// |
|
|
光功率 |
mW |
30 |
|
|
最大调谐电压/FSR |
V |
25 |
|
|
最大调谐电压 |
V |
70 |
|
|
工作温度 |
℃ |
0~70 |
|
|
储藏温度 |
℃ |
-20~85 |
|
|
产品尺寸 |
mm |
50 x 16x 18 |
|
注:
1. 所有规格参数均基于无连接器的器件,并在波长、偏振态和温度范围内有效。
2. 规格如有变更,恕不另行通知。
资源下载
