单击打开
法布里帕罗热稳定标准具
产品描述
热稳定标准具是基于先进的Etalon技术。采用独特的光学机械设计和先进的包装技术,过滤器在不同的环境条件下(包括温度和湿度),可以保证波长的高稳定性。
该标准具是由一种独有的精确调试技术构建的,它可以在+/-1.0GHz范围内使用ITU的精度定位。这种精准的ITU标准具可用于WDM系统通道监控和波长锁定。
产品特点
极好的波长热稳定性
低损耗,低偏振相关损耗
极好的气密性
应用范围
FBG
系统监控
测试测量
仪器仪表
测试图谱

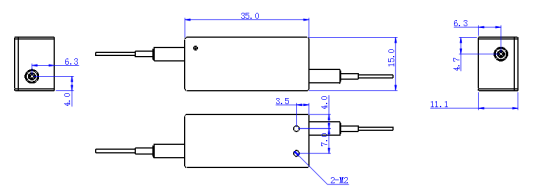
模块尺寸图

订购信息:HC-AWRFT-A-B-C-D-E-F-G
|
A |
B |
C |
D |
E |
F |
G |
|
Finesse |
Block Channel |
Operating Wavelength |
Channel Spacing |
Fiber Type |
Fiber Length |
Connector Type |
|
7=7 14=14 20=20 X=Others |
00=None 34=34ch 59=59ch 61=61ch X=Others |
O= O band C=C band L=L band C/L=C+L band X=Others |
25=25 GHz 50=50 GHz 100=100 GHz 200=200 GHz X=Others |
25=250μm fiber 90=900μm fiber X=Others |
05=0.5 +/- 0.1 m 10=1.0 +/- 0.1 m X=Others |
00=No Connector FP=FC/UPC FA=FC/APC SP=SC/UPC SA=SC/APC LP= LC/PC LA=LC/APC X=Others |
|
项目 |
单位 |
参数 |
||
|
工作波长 |
nm |
1525 ~ 1565(可指定) |
||
|
插入损耗 |
dB |
Typ1.5, Max3(25G<4.0) |
||
|
偏振相关损耗 |
dB |
≤0.05 |
||
|
精确度 |
GHz |
+/- 0.1 |
||
|
通道间隔(FSR) |
GHz |
25 ,50,100,200 |
||
|
热稳定性 |
GHz |
≤ +/- 0.8 |
||
|
精细度 |
|
7 |
14 |
20 |
|
3dB带宽 |
GHz |
50G≤10,100G≤ 16,200G≤ 28 |
50G≤6,100G≤ 9,200G≤ 10.5 |
25G≤ 2 |
|
对比度 |
dB |
≥ 13 |
≥ 18 |
≥20 |
|
通道虑峰 |
Nm |
1550.12(其他波长可选) |
||
|
回波损耗 |
dB |
≥ 20(25G≥5建议增加隔离器) |
||
|
最大功率 |
mW |
500 |
||
|
工作温度 |
oC |
-5 ~ 70 |
||
|
储存温度 |
oC |
-40 ~ 85 |
||
|
光纤类型 |
N/A |
SMF-28e+ |
||
|
尺寸 |
mm |
35× 15× 11(L×W×H) |
||
注:
1. 所有规格参数均基于无连接器的器件,并在波长、偏振态和温度范围内有效。
2. 规格如有变更,恕不另行通知。
